Монтаж системы вентиляции и кондиционирования, ЖК Зиларт, набережная Марка Шагала, дом 1
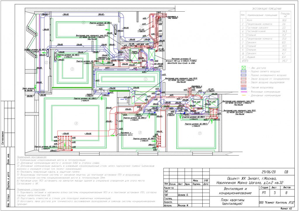
Объект: г. Москва, ЖК «ЗИЛАРТ», набережная Марка Шагала, д. 1, корп. 2, кв. 32
Система приточной вентиляции.
В квартире площадью 140 м2 смонтирована приточная система Breezart. Установка обеспечивает предварительную очистку воздуха в фильтрах класса EU-5, в зимний период подогревает приточный воздух в калорифере до +220С. Подогрев воздуха производится электрическим нагревателем (подбор мощности выполнен с учетом средне годичных параметров воздуха принятых для Москвы и области).
Подача воздуха в помещения производится через вентиляционные решетки системы кондиционирования (что сокращает количество вентиляционных решеток) с расчетом расхода воздуха в зависимости от назначения помещений. Забор воздуха осуществляется через заборную решетку расположенную в оконном откосе (пожелание заказчика и дизайнера).

Система кондиционирования.
На данном объекте подобрано оборудование по производительности, необходимой для полной ассимиляции тепло поступлений, в том числе от освещения, техники и других источников тепла и поддержание требуемых комфортных параметров температуры воздуха в помещениях.
Использовали канальный тип системы кондиционирования – 4 канальных внутренних блока марки Mitsubishi.
Система приточной вентиляции.
В квартире площадью 140 м2 смонтирована приточная система Breezart. Установка обеспечивает предварительную очистку воздуха в фильтрах класса EU-5, в зимний период подогревает приточный воздух в калорифере до +220С. Подогрев воздуха производится электрическим нагревателем (подбор мощности выполнен с учетом средне годичных параметров воздуха принятых для Москвы и области).
Подача воздуха в помещения производится через вентиляционные решетки системы кондиционирования (что сокращает количество вентиляционных решеток) с расчетом расхода воздуха в зависимости от назначения помещений. Забор воздуха осуществляется через заборную решетку расположенную в оконном откосе (пожелание заказчика и дизайнера).

Система кондиционирования.
На данном объекте подобрано оборудование по производительности, необходимой для полной ассимиляции тепло поступлений, в том числе от освещения, техники и других источников тепла и поддержание требуемых комфортных параметров температуры воздуха в помещениях.
Использовали канальный тип системы кондиционирования – 4 канальных внутренних блока марки Mitsubishi.
- Регулирование температуры внутреннего воздуха в помещениях осуществляется с стационарного проводного пульта управления.
- Отвод конденсата от внутренних блоков выведен в ближайший канализационный стояк через гидрозатвор.
- Дренажная система выполнена из жесткой (полимерной) трубы с организацией крепежа, предотвращающего его прогиб.
Документы
6f3171d71dc4b4a227484c8950a791f3
203,9 кб
|
Оформите заявку на сайте, мы свяжемся с вами в ближайшее время и ответим на все интересующие вопросы.
|
Заказать проект
|












